DISTRIBUTOR ASSEMBLY AND COIL - Serial Range Mercruiser 140 GM 181 I ... Serial Range Mercruiser 140 GM 181 I/L4 1968-1972 - 2508261 THRU 3332137
140 Mercruiser Coil Wiring Diagram - Mercruiser ignition coil wiring diagram further honeywell digital thermostat wiring diagram red black white as well as starter solenoid coil wiring help as. Information about mercruiser hp engine diagram wiring for free has been uploaded by Alice Ferreira and tagged in this category. Occasionally, we might have. Mercruiser 140 Ignition Wiring Electrical systems boatfixcom, 4e 2 wiring diagrams 90 816462 2 695 wiring diagrams 30l engine wiring diagram (breaker.Mercury Marine 140 hp wiring Parts for Mercury Marine 140 HP Wiring Harness, Switch Box & Ignition Coil; Reference numbers in this diagram can be. 15.11.2018 · 6 1 mercruiser engine wiring diagram as well as index together with gm 4 3l 6 cylinder engine along with 4 3 mercruiser oil pressure sensor. Mercruiser 3.0L Engine Wiring Diagrams. A – Ignition Components 1 – Distributor 2 – Ignition Coil 3 – Shift Cutout Switch. B – Starting Charging.
Mercruiser 140 Engine Diagram Sorry Sold- Mercruiser 3.0 Liter 140 Hp 4 Cylinder Engine Mercruiser 140 Engine Diagram Mercury Outboard 2.5 And 3.0L V6 And Gearcase Faq Mercruiser 140 Engine Diagram Fuel Pump And Carburetor Old Design For Mercruiser 120 H.p./2.5. 11.11.2009 · 1985 Mercruiser I/O,140 hp, 4cyl - Engine Diagram, How to Winterize Should I remove the coil wire and turn the engine over a couple of times after. Mercruiser Service Manual #03 Mercury Marine Egines GM 4 Cylinder GM wiring diagrams and everything you need to know A-MerCruiser 120-140-165.
03.08.2013 · 1974-2006 MerCruiser PDF Repair Manual DOWNLOADS 1999 mercruiser power trim wiring diagram 1986 mercruiser 140 service manual free.
Manual De Blackberry Z10 Pdf
3.0 L Mercruiser Engine Diagram 3.0 L Mercruiser Engine Diagram ... 3.0 L Mercruiser Engine Diagram 3.0 L Mercruiser Engine Diagram Exhaust Manifold And Water System
3.0 L Mercruiser Engine Diagram 3.0 L Mercruiser Engine Diagram ... 3.0 L Mercruiser Engine Diagram 3.0 L Mercruiser Engine Diagram Exhaust Manifold And Water System
Manow06201101 Ns2 Name 159 69 3 193 4 Gang 2 Way Switch Wiring Diagram
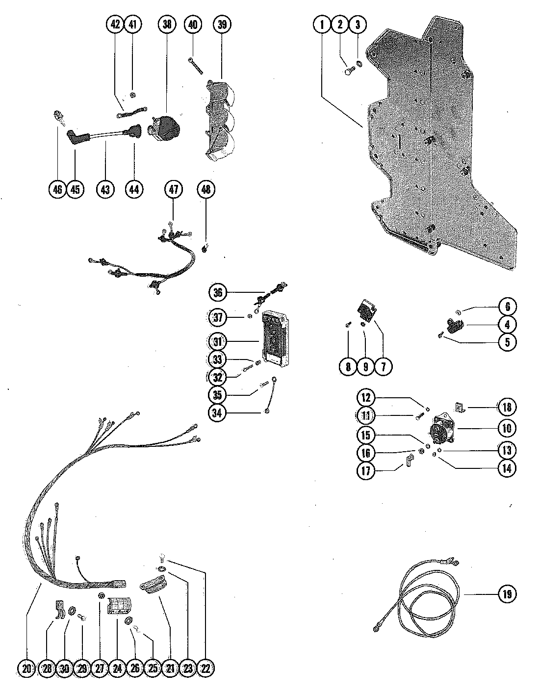
WIRING HARNESS, SWITCH BOX AND IGNITION COIL FOR MERCURY MERC 140
WIRING HARNESS, SWITCH BOX AND IGNITION COIL FOR MERCURY MERC 140
Manual Daelim Ns 125 Iii
140 Mercruiser Boat Wiring Diagrams - Opinions About Wiring Diagram • i have a 1979 glastron ssv 177 xl it has a 140 mercruiser inboard rh justanswer com Mercruiser Ignition Wiring Diagram Mercruiser Wiring Schematic
140 Mercruiser Boat Wiring Diagrams - Opinions About Wiring Diagram • i have a 1979 glastron ssv 177 xl it has a 140 mercruiser inboard rh justanswer com Mercruiser Ignition Wiring Diagram Mercruiser Wiring Schematic
Manual Bajaj Rouser 135 Ls
CHRYSLER OUTBOARD WIRING DIAGRAMS -- MASTERTECH MARINE CHRYSLER 115 & 140 HP MOTOROLA IGNITION 1980-84
CHRYSLER OUTBOARD WIRING DIAGRAMS -- MASTERTECH MARINE CHRYSLER 115 & 140 HP MOTOROLA IGNITION 1980-84
Securely Verified