Solas Impeller KR-CD-14/21 For Kawasaki Ultra 300X, 310X,310LX,310R ... Solas Concord KR-CD-14/21 for Kawasaki Jet Ski
2012 Kawasaki Jet Ski Ultra 300lx Wiring Diagram - kawasaki js300 jet ski watercraft ultra 300lx boat pdf manual download also for ultra 300x jet ski ultra 300lx jet ski ultra 300x jet ski r sx r tm 9999 msrp owners service manuals parts roktm owner support warranty extended service contract kawasaki protection plustm jet pumpjs300 a1 view diagram download pdf labelsjs300 a1 view diagram. 2011 Kawasaki Ultra 300X / Ultra 300LX Service Manual JT1500HBF/JBF; Introduction. These Kawasaki PWC JetSki (Jet Ski) manuals contains an introductory description on and procedures for the inspection, service and overhaul of its main components. General knowledge information is not included. Please read the GENERAL INFORMATION section to. SERVICE MANUAL DOWNLOAD LINKS BELOW. 2011 Kawasaki Ultra 300X / Ultra 300LX Service Manual JT1500HBF/JBF; Introduction. These Kawasaki PWC JetSki (Jet Ski) manuals contains an introductory description on and procedures for the inspection, service and overhaul of its main components. 2004 Kawasaki Jetski Jet ski Ultra 150 JH1200 Service.Kawasaki 2012-2013 Ultra 300x Riva Stage 1 Kit 73+ Mph W Scom Intake Grate + Riva Sea - $1,749.99. Riva Sea Doo Rxp-x 300 Stage 2 Kit. Seadoo Rxt-x - $1,734.35. Kawasaki Jet - $1,600.00. Kawasaki Jet Ski Ultra 300 310 310x 300x Supercharger Super Charger Blower. Seadoo 300 - $1,579.95.. Kawasaki Jet Ski Ecu Engine Control Unit 2011-2012 Ultra 300lx 300x 21175-3744 . Kawasaki Jet - $734.95. Kawasaki Jet Ski 2007-2010 Ultra 250x 260x Jet Pump W Kx-cd 1523 Solas Rebuilt. Hot Rods - $753.95 Kawasaki Ultra 150 Jet Ski Electrical Wiring Harness. Kawasaki Jet - $149.00. Kawasaki Jet Ski 550sx Decal Graphics Sticker Full Kit 550. Use our personal watercraft spark plug chart to match up your PWC to the NGK spark plug recommended for your model. We carry standard NGK plugs, Iridium NGK.
Nov 19, 2012 · Thank you for posting this. I just got a ZXI 750 yesterday and was hoping to find something like this. I know some of the info will be irrelevant, but just to get a basic understanding of these things, I think this will be a good book to learn from.. If you need parts for your Kawasaki Motorcycle, Kawasaki ATV, Kawasaki Mule or Kawasaki Jet-Ski you're in the right place. Finding the right parts has never been easier. Just select you Kawasaki Motorcycle, ATV, Side x Side, or Jet-Ski from the list to view diagrams for every part on your ride.. (23) kawasaki jet ski ultra 300lx (89) kawasaki jet ski ultra 310x se (1) kawasaki jl (1) kawasaki jl 650 (8) kawasaki js (8) kawasaki js 750 (38) kawasaki jt 2019 kawasaki jet ski® ultra® 310lx, 2019 kawasaki jet ski® ultra® 310lx the kawasaki difference the most powerful jet ski watercraft ever the j.
Buy Kawasaki Touch Up Paint - Color Codes & Paint Code Location touch up paint for all years and colors. Kawasaki Touch Up Paint - Color Codes & Paint Code Location touch up paint is available in paint pens, aerosol spray cans, touch up brushes and more.. Voltage Regulator for Kawasaki JET SKI PWC JT1200 JT1500 1200 1500. Item Number: Mechanics Choice: OEM performance at a money-saving price. In Stock. Kawasaki Jet Ski 2007-2009 Ultra 250x 260x Lx Engine Supercharger Super Charger. Kawasaki 97-99 - $1,200.00. Kawasaki 97-99 Jet Ski 1100 Stx 96-00 Zxi Engine Motor Triple 1100 Modified. Kawasaki Jet - $1,200.00. Kawasaki Jet Ski Js 550 Race Engine. Fast. Kawasaki Jet - $1,149.00..
Voltage Regulator Rectifier for Arctic Cat Kawasaki Honda Suzuki Yamaha ATV UTV Motorcycle PWC 1999-2020. RM30806. Jet Ski Ultra 300LX. PWC 2012 Kawasaki Jet Ski Ultra 300LX; Jet Ski Ultra 300X. Check and repair any melted wiring. Use hi-temp dielectric grease on all connectors.. New Intank Efi Fuel Pump Kawasaki Jet Ski Ultra Lx 2007-2012. New Intank Efi Fuel Pump Kawasaki Jet Ski Ultra 300lx 300x 300xx 2011-2012. New Intank . New Intank Efi Fuel Pump Kawasaki Jet Ski Ultra 260x 260lx 2009-2010. New Intank . New Intank Efi Fuel Pump Kawasaki Watercraft Jet Ski Mitsubishi Mc-t30 2000 Kawasaki . 2000 Kawasaki.
99 F150 Trailer Wiring Diagram
PDF-6242] Kawasaki Ultra 300x Service Manual | 2019 Ebook Library 2009 kawasaki jt1500d stx jet ski service manual rh repairmanual com jet ski service manual jet
PDF-6242] Kawasaki Ultra 300x Service Manual | 2019 Ebook Library 2009 kawasaki jt1500d stx jet ski service manual rh repairmanual com jet ski service manual jet
99 Peterbilt 379 Headlight Wiring Diagram
KAWASAKI JETSKI SAFETY LANYARD-EMERGENCY WIRE REPLACEMENT | Jet Skis ... RED KAWASAKI FLOATING LANYARD
KAWASAKI JETSKI SAFETY LANYARD-EMERGENCY WIRE REPLACEMENT | Jet Skis ... RED KAWASAKI FLOATING LANYARD
99 Gmc Suburban Wiring Diagram
EBOOK-4274] 2004 Kawasaki Stx 15f Owner Manual | 2019 Ebook Library Array - 2019 jet ski stx 15f kawasaki motors australia rh kawasaki com
EBOOK-4274] 2004 Kawasaki Stx 15f Owner Manual | 2019 Ebook Library Array - 2019 jet ski stx 15f kawasaki motors australia rh kawasaki com
99 Gmc Yukon Denali Stereo Wiring Diagram
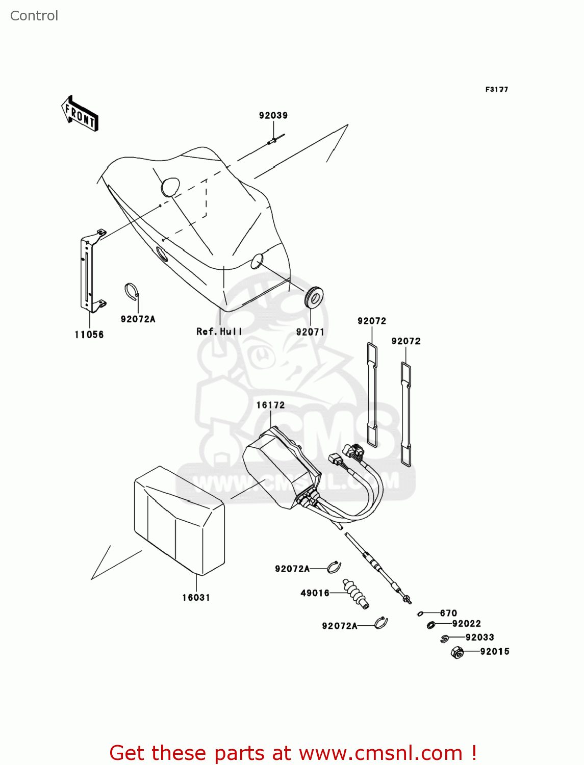
Kawasaki JT1500-JCF JETSKI ULTRA 300LX 2012 USA Control - buy ... view large image
Kawasaki JT1500-JCF JETSKI ULTRA 300LX 2012 USA Control - buy ... view large image
Securely Verified