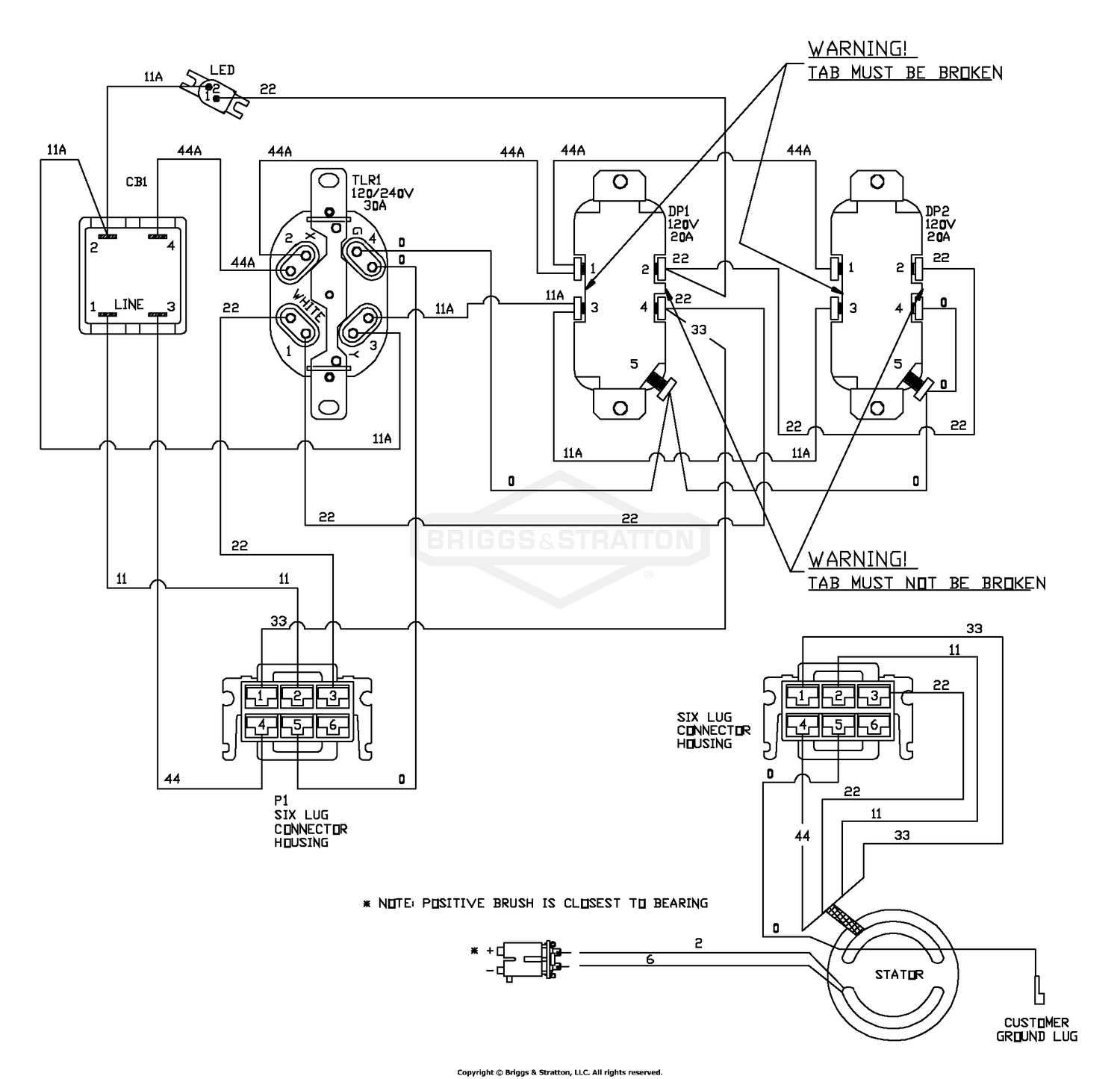
Briggs & Stratton Power 030475-01 - Troy-Bilt Portable Generator ... Briggs & Stratton Power 030475-01 - Troy-Bilt Portable Generator, 6,000 Watt Wiring Diagram (312442wd) Diagram and Parts List | PartsTree.com
Briggs And Stratton Wiring Manual - View and Download Briggs & Stratton 1695969 operator's manual online. 42'' Single-Stage Snowthrower. 1695969 Snow Blower pdf manual download.. View and Download Briggs & Stratton Generator owner's manual online. Briggs & Stratton Standby Generator Installation, Start-Up and Owner's Manual. Generator Portable Generator pdf manual. In addition to wiring diagrams, these guides also provide information on Alternator Identification and procedures for an engine replacement with a new Briggs & Stratton engine that utilizes a different style alternator (output connector)..Briggs & Stratton Small Engine Specifications Email: [email protected] To inquire about a short block, or other parts, please use our Engine Inquiry Form. Briggs & Stratton 303777 - 1165 . Brand New - Briggs and Stratton 303777 - 1165 16hp Vertical Shaft Vanguard Series small engine - 2yr Factory Warranty. Whether it's a standby or portable generator, Briggs & Stratton can help you find out which one is best for you!.
In addition to wiring diagrams, Alternator Identification information, Alternator Specifications, and procedures for the replacement of an older Briggs & Stratton engine with a newer Briggs & Stratton engine that utilizes a different style alternator (output connector) are also available in this guide.. 613477-2141 35hp Horizontal 1-1/8"x4" Shaft, Vanguard, Fuel Pump, Oil Filter, Oil Cooler, Key Switch, Front Throttle Control, Briggs & Stratton Engine, Briggs & Stratton. 10.5hp Vertical 1"x3-5/32" Shaft, Intek OHV, Recoil and Electric Start, 16Amp Alt, Fuel Tank, Muffler, Briggs Stratton Engine.
Briggs & Stratton 40484 20000-watt Home Standby Generator System with 150-Amp Automatic Transfer Switch.
2001 Toyota Fuse Box Diagram
12 Hp Briggs And Stratton Engine Diagram Wiring - 13.10 ... 12 hp briggs and stratton engine diagram wiring wiring diagram rh 13 vgc2018 de Briggs Stratton Ignition Diagram Briggs Stratton Ignition Diagram
12 Hp Briggs And Stratton Engine Diagram Wiring - 13.10 ... 12 hp briggs and stratton engine diagram wiring wiring diagram rh 13 vgc2018 de Briggs Stratton Ignition Diagram Briggs Stratton Ignition Diagram
2001 Nissan Maxima Wiring Diagrams
Briggs & Stratton Power Products_DEL_26072017021729 030235-0 ... Wiring Diagram (196640)
Briggs & Stratton Power Products_DEL_26072017021729 030235-0 ... Wiring Diagram (196640)
2001 Suzuki Xl7 Fuse Box Location
Wiring Diagram For Briggs And Stratton Engine | Wiring Diagram briggs and stratton 17 hp wiring diagram online wiring diagrambriggs and stratton 23 hp vanguard engine
Wiring Diagram For Briggs And Stratton Engine | Wiring Diagram briggs and stratton 17 hp wiring diagram online wiring diagrambriggs and stratton 23 hp vanguard engine
2001 Nissan Maxima Radio Wiring Diagram
Briggs Stratton Wire Diagram | Wiring Library briggs and stratton wiring diagram interkulinterpretor com rh interkulinterpretor com 18Hp Briggs and
Briggs Stratton Wire Diagram | Wiring Library briggs and stratton wiring diagram interkulinterpretor com rh interkulinterpretor com 18Hp Briggs and
Securely Verified