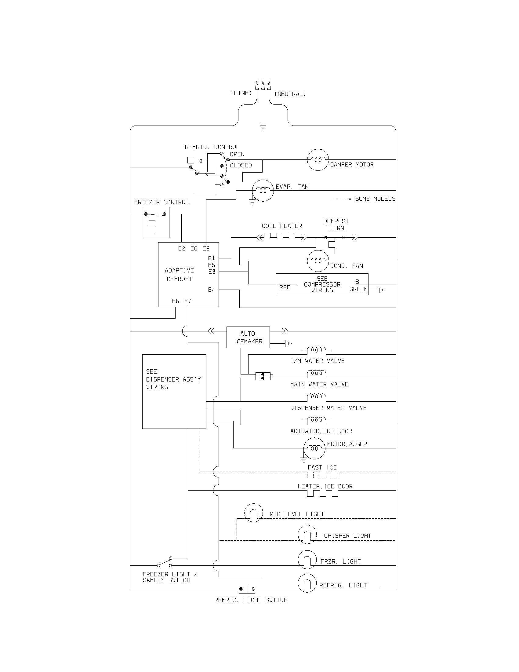
Frigidaire model GLRS267ZCB1 side-by-side refrigerator genuine parts
Craftsman Tractor Wiring Diagram 917273220 - 917.273220 or 917273220 Craftsman 24 HP 50 on your purchase of a Craftsman Tractor . CONNECTOR TRACTOR CONNECTOR WIRING INSULATED. Craftsman riding lawn mower diagrams like wiring diagram, lawn & garden tractor 917273220 belt diagram. #sears craftsman mower 917. Craftsman 917.276781 917.276782 917.276783 tractor operator manual LAWN TRACTOR 20.0 HP, 42″ Mower Electric Start Automatic Transmission Warranty.Craftsman 42 Lawn Tractor Wiring Diagram - here you are at our site. Nowadays we are pleased to announce we have found an incredibly interesting niche to. Back To Craftsman Tractors-Riding-Lawnmowers Model: 917.273130 or 917273130 Craftsman Lawn Tractor 17.0 HP 42 wiring . See electrical wiring diagram in. Wiring Diagram Craftsman Lawn Mower Riding For Sears Tractor from wiring diagram for craftsman riding lawn mower , source:meletisf.me.
[full online] craftsman garden tractor wiring diagram 240 hp electric start 50 mower automatic garden tractor 917273220 lawn and garden equipment pdf. Craftsman Lawn Tractor Wiring Diagram wiring diagram for craftsman riding mower 26 hp sears lawn tractors 10 zero turn tractors 8 yard tractors deck width. 10.08.2010 · need wiring diagram for Craftsman Lawn Tractor model# 917.270821 - Craftsman 42 in. Deck 19.5hp Lawn question.
Wiring Diagram craftsman riding lawn mower? I need one for a craftsman garden tractor. I know there are problems with the - Answered by a verified Technician.
94 F150 Wiring Diagram For Brakes
Frigidaire model GLRS267ZCB1 side-by-side refrigerator genuine parts
Frigidaire model GLRS267ZCB1 side-by-side refrigerator genuine parts
94 Ford Mustang Fuse Box
Ac Indoor Fan Motor Wiring Diagram - Starting Know About Wiring ... split air conditioner wiring diagram hermawan s blog rh hvactutorial wordpress com
Ac Indoor Fan Motor Wiring Diagram - Starting Know About Wiring ... split air conditioner wiring diagram hermawan s blog rh hvactutorial wordpress com
95 Chevy Caprice Engine Wiring
Whirlpool model WOS92EC7AS04 built-in oven, electric genuine parts
Whirlpool model WOS92EC7AS04 built-in oven, electric genuine parts
94 Mustang Gt Stereo Wiring Diagram
Ge model JBP35DM2BB free standing, electric genuine parts Control Panel
Ge model JBP35DM2BB free standing, electric genuine parts Control Panel
Securely Verified