Crosley model CRSH268MB2 side-by-side refrigerator genuine parts
Goldstar Microwave Mv1526w Wiring Diagram - Microwave oven display repair all brands nationwide dead? lights out? Sharp Dacor General Electric Samsung Kenmore Frigidaire Whirlpool free help tips.
Honda Accord Sedan 2010 Fuse Box Diagram
Frigidaire model FFHT1826LQD top-mount refrigerator genuine parts Cabinet
Frigidaire model FFHT1826LQD top-mount refrigerator genuine parts Cabinet
Homelite Electric Weed Eater Manual
Maytag model MDB8949SBM0 dishwasher genuine parts Inner ...
Maytag model MDB8949SBM0 dishwasher genuine parts Inner ...
Home Heater Thermostat Wiring Diagram
Goldstar model MV-1526W microwave/hood combo genuine parts
Goldstar model MV-1526W microwave/hood combo genuine parts
Honda Accord 2001 Repair Manual Manual
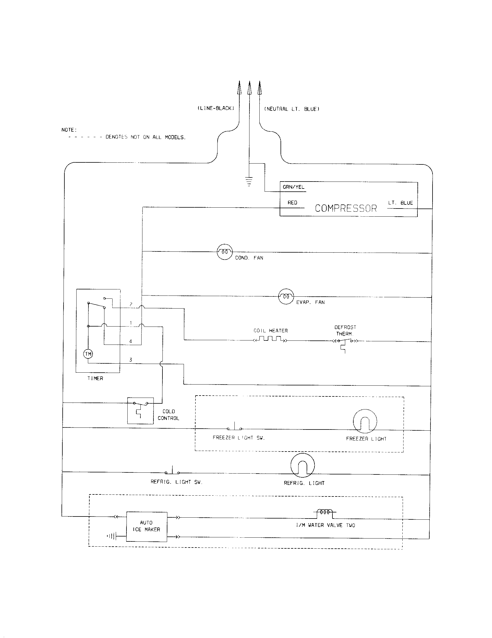
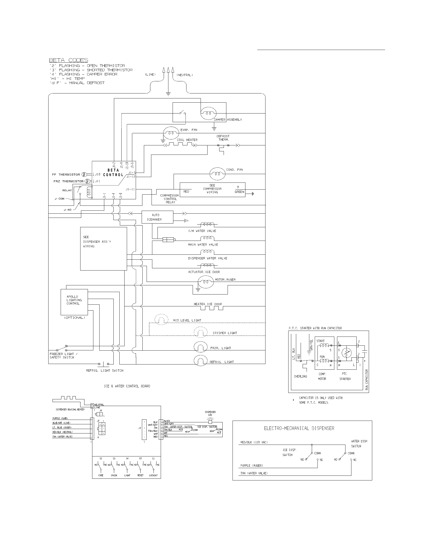
Frigidaire model FRT21FG3DW0 top-mount refrigerator genuine parts
Frigidaire model FRT21FG3DW0 top-mount refrigerator genuine parts
Securely Verified