Buy Руководство по ремонту и эксплуатации Hyundai R80-7 and download Руководство по ремонту и эксплуатации Hyundai R80-7
Hyundai R80 7 Crawler Excavator Operating Manuals Download - This is the COMPLETE Service Repair Manual for the HYUNDAI R80-7A CRAWLER EXCAVATOR. This manual contains deep information about maintaining, assembly, disassembly and servicing your HYUNDAI R80-7A CRAWLER EXCAVATOR.. Title: Hyundai R300lc 7 Crawler Excavator Operating Manual Download PDF Author: PIWO.CO.ZA Subject: Free Download: Hyundai R300lc 7 Crawler Excavator Operating Manual Download[PDF] [EPUB] Hyundai R300lc 7 Crawler Excavator Operating Manual Download [PDF] [EPUB] is. Title: Hyundai R215c 7h Crawler Excavator Operating Manual PDF Author: GUNDOPRODUCTIONS.CO.ZA Subject: Free Download: Hyundai R215c 7h Crawler Excavator Operating ManualI am promise you will like the [DOWNLOAD] Hyundai R215c 7h Crawler Excavator Operating Manual Free Ebooks..Ebook Pdf Hyundai Crawler Excavator Robex 80 7 R80 7 Complete Manual contains important information and a detailed explanation about Ebook Pdf of the package, names of things and what they do, setup, and operation.. Hyundai Crawler Excavator R80-7 Operating Manual DOWNLOAD HERE. Hyundai Operating Manuals. Need more information on how to operate your Hyundai?. 21.03.2015 · Download Here Now you can download HYUNDAI R80-7 CRAWLER EXCAVATOR SERVICE REPAIR MANUAL, This manual will help you to fix the vehicle For different product categories including car, bike, BMW, Caterpillar and other repair manual just visit the link that we provide HYUNDAI R80-7 CRAWLER EXCAVATOR SERVICE REPAIR MANUAL Covers: Inside.
Hyundai R80 7 Crawler Excavator Service Repair Manual Download Free Download Chapter 1 : Free Download Hyundai R80 7 Crawler Excavator Service Repair Manual Download. Hyundai R140lc 7 Crawler Excavator Operating Manual Download Ebook Hyundai R140lc 7 Crawler Excavator Operating Manual Download currently available at www.spreadlog.net for review only, if you need complete ebook. Hyundai R450lc 7a Crawler Excavator Operating Manual Full Download pdf download hyundai r450lc 7a crawler excavator operating manual free pdf hyundai r450lc 7a.
Hyundai R850LC-9 EXCAVATOR Operation and Maintenance Manual PDF Download. This manual may contain attachments and optional equipment that are not available in your area..
Skoda Stream Mp3 Wiring Diagram
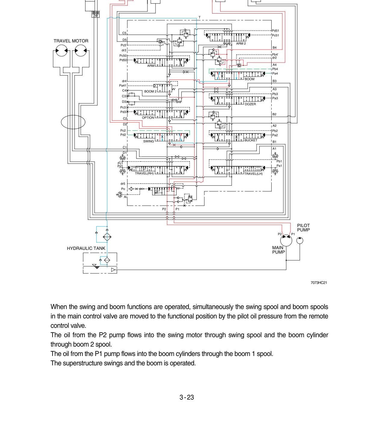
Hyundai R80-7A Crawler Excavator Service Manual Download repair manual Hyundai R80-7A Crawler Excavator Service Manual - 4
Hyundai R80-7A Crawler Excavator Service Manual Download repair manual Hyundai R80-7A Crawler Excavator Service Manual - 4
Ski Doo Skandic Swt Lt 2005 Pdf Service Manuals Download
Hyundai Sonata Car Service Repair Manual 1995 by EmanuelCovert - issuu
Hyundai Sonata Car Service Repair Manual 1995 by EmanuelCovert - issuu
Skagen 331xlsld1 Watches Owners Manual
Hyundai Santa Fe Engine G6ea Gsl 27 Service R by AntwanWorden - issuu
Hyundai Santa Fe Engine G6ea Gsl 27 Service R by AntwanWorden - issuu
Small Block Chevy Solenoid Wiring
Hyundai Crawler Excavators R80-7 Service Manual | Auto Repair Manual ... Hyundai Crawler Excavators R80-7 Service Manual Size: 25mb. Language: English Type: pdf [ IMG]
Hyundai Crawler Excavators R80-7 Service Manual | Auto Repair Manual ... Hyundai Crawler Excavators R80-7 Service Manual Size: 25mb. Language: English Type: pdf [ IMG]
Securely Verified