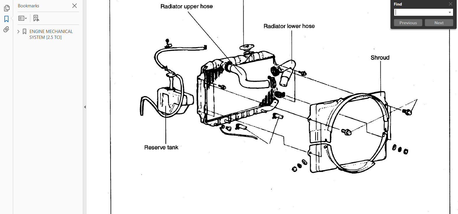
Hyundai terracan workshop service repair manual 2001 2007 (3,000+ pag… Hyundai terracan workshop service repair manual 2001 2007 (3,000+ pages, 437 mb, searchable, printable, bookmarked, ipad-ready pdf)
Hyundai Terracan 2001 2007 Service Repair Manual - The Far East has been a center of car manufacturing for some years now, and there is even a tendency among some people to refer to the ”Asian Four” – Subaru, Toyota, Nissan and Hyundai.. The Hyundai Elantra (Korean: 현대 엘란트라), or Hyundai Avante (현대 아반떼) in South Korea, is a compact car produced by the South Korean manufacturer Hyundai since 1990.. 70 Technical Service Bulletins have been issued for the 2011 Hyundai Elantra..Alle nye Haynes til bil, kr. 245,- pr. stk. Stort set alle haves på lager. Mange brugte haves, kun kr. 145,- pr. stk. Gratis ordbog over fagudtryk kan downloades her (klik på billedet).. The 2006 Hyundai Elantra has 17 problems reported for missing or stalling when driving. Average repair cost is $1,200 at 48,400 miles.. 30.08.2014 · I just replaced/flushed all the old original Hyundai green coolant from my 2009 Sonata 2.4l (4 cyl). Now there are some air trapped in the cylinder head causing the thermostat not to open..
Todos los artículos en este catálogo se encuentran en venta dentro de nuestras sucursales, contamos con pieza única (1), no manejamos cantidades.. Search for new cars and used cars online. Whether you are selling a car, buying a car or just looking for advice on how to buy or sell a car, start your search with AA Carfair.. 2007 2007 2009 self-adhesive waterpanel moulding mercedes group sensortack® 1 refill self-adhesive waterpanel gel for rain/light sensors moulding with 3d bend ford group automotive glass tools for smart repair: industry standards from pma/tools. setting standards with innovations that shape the arg industry: pma/tools were pioneers in the.
DEET-free insect repellent lotion Doonbon has released a new DEET-free insect repellent called “Mosrepel.” The new product uses oil of eucalyptus, a plant-based repellent, considered to be as effective against mosquitoes as DEET and safe for the human body..
07 Charger Stereo Wiring Harness
OFFICIAL WORKSHOP Manual Service Repair Hyundai Terracan 2001 - 2007 ... >> OFFICIAL WORKSHOP Manual Service Repair Hyundai Terracan 2001 - 2007 7625694308411 | eBay
OFFICIAL WORKSHOP Manual Service Repair Hyundai Terracan 2001 - 2007 ... >> OFFICIAL WORKSHOP Manual Service Repair Hyundai Terracan 2001 - 2007 7625694308411 | eBay
07 Road King Fuse Box
FACTORY WORKSHOP SERVICE REPAIR MANUAL HYUNDAI TERRACAN 2001-2008 + ... About the Manual & Why from us?
FACTORY WORKSHOP SERVICE REPAIR MANUAL HYUNDAI TERRACAN 2001-2008 + ... About the Manual & Why from us?
06 F150 Fuse Box Located
Official Workshop Manual Service Repair Hyundai TERRACAN 2001 - 2007 ... ... Norton Secured - powered by Verisign
Official Workshop Manual Service Repair Hyundai TERRACAN 2001 - 2007 ... ... Norton Secured - powered by Verisign
06 Honda Civic Fuse Box
Pin von seller4parts auf Hyundai Terracan | Pinterest Besuchen
Pin von seller4parts auf Hyundai Terracan | Pinterest Besuchen
Securely Verified