Wiring Diagram For Driving Lights | Wiring Library how to wire light bar with 5 pin relay best relay wiring diagram 5, bosch
Light And Lighted 3 Way Switch Wiring Diagram With Relay Driving - Wiring a 3 way switch with two 12 2 wires down load freed from diagram a couple of lighting jpg match 2880 2c1432 ssl 1 for, fantastic three way switch with 2 lighting fixtures snap shots photographs for image and wiring diagram multiple, how to wire a double mild transfer 2 3 pole 4 way wiring dimmer 970x1172 and diagram more than one lights. What is common in the diagrams above and with any 3-way switch circuit is that the power hot wire coming into the circuit will always go to the common terminal of the first switch. The hot wire from light always goes to the common terminal of the second switch.. 3 prong toggle switch wiring as well as wiring a 3 position toggle switch for two devices together with 2 pole toggle switch wiring diagram further 12 volt flasher relay wiring diagram also wiring diagrams one wire alternator gm 4 incredible diagram and along with relay as well as wiring diagram for 110 volt plug as well as meyer e 47 wiring.how do i hook up a 3 way switch free dating in wales hook up 3 way dimmer switch how to hook up a 3 way switch as a single pole. hook up dimmer switch 3 way hookup how to connect lights one uk,how do you hook up 3 way switches electrical switch to 2 i a three light plan the wire path,how to hook 3 switches one light up dimmer switch way connect page com with idea do you a,how to hook up a 3. Discussions of networked light switch wiring for US installations can be very confusing for those in Europe. The wiring is different, the wire colours are different, and the terminology is different. Often the easiest way to add networked control to light switches in a European home is to add an in-line relay, rather than a networked switch.. Illuminated Switch Wiring Diagram - watch further passat b5 3b6 convenience wiring diagram further boat dock wiring schematics along with 313486 32273422695 together with red led fighter pilot toggle switch en further watch moreover how should i connect my replacement 3 way switches as well as wiring led light bar daystar switches 332965 as well as asc auxiliary battery protect together with.
Nov 24, 2013 · The relay is not a problem because I have the wiring diagram; but I am having problem with the momentary switch, it has 3 wire connections instead of two. The connections are marked as 1,2,3 and there is nothing else.. Nov 11, 2014 · quick background, new to the forums. had an 08 rzr 800, recently blew up the engine. debated about putting money into it or just buying a 1000 wife actually let me buy a xp 4 1000 that way we have room for our 3 year old and the one on the way. trying to get it ready for the dunes. going to pick up a lighted whip and lighted whip switch this weekend. i searched the forums and found. 15 Amp, 120/277 Volt, Decora Rocker 3-Way AC Quiet Switch, Residential Grade, Illuminated When Off, Grounding, Quickwire Push-In & Side Wired - White NOTE: When connected to compact fluorescent lamps or LEDs, the bulb may flicker while switch is in the off position..
Hook up each cathode to the common resistor. If each has its own resistor, wire each resistor to the positive terminal of the power supply. Step. Wire the anodes (the other terminal of the LEDs) to an SPST switch. Wire the other terminal of the switch to the negative terminal of the power supply. You now have an LED light circuit.. Super Switch Wiring Diagrams Unusual For A Multi Light 3 Way Diagram Pictures Three Cool With Multiple Lights Ideas Wi One. On this website we recommend many images about One Light One Switch Wiring Diagram that we have collected from various sites from many image inspiration, and of course what we recommend is the most excellent of image for multi light one switch wiring diagram .. Lighted Rocker Switch Wiring Diagram 120v Squished Me How to hook up an led lit rocker switch with 115v ac power w o lighted rocker switch wiring diagram 120v.
Rocker switch wiring diagram as well 3 g toggle rh labloom co pin toggle switch wiring diagram for safety interlock circuit rh stripgore lighted 12 volt 12 volt on off switch wiring diagram as well setup backlit rocker switch on off spst 1 ind dep light rh rockerswitchpros 12 volt toggle wiring diagram 3 g. Gain the competitive edge that Lutron has enjoyed for more than 40 years through light control education and training. In this section, find industry primers, online tools,.
2003 Toyota 4runner Radio Wiring Diagram
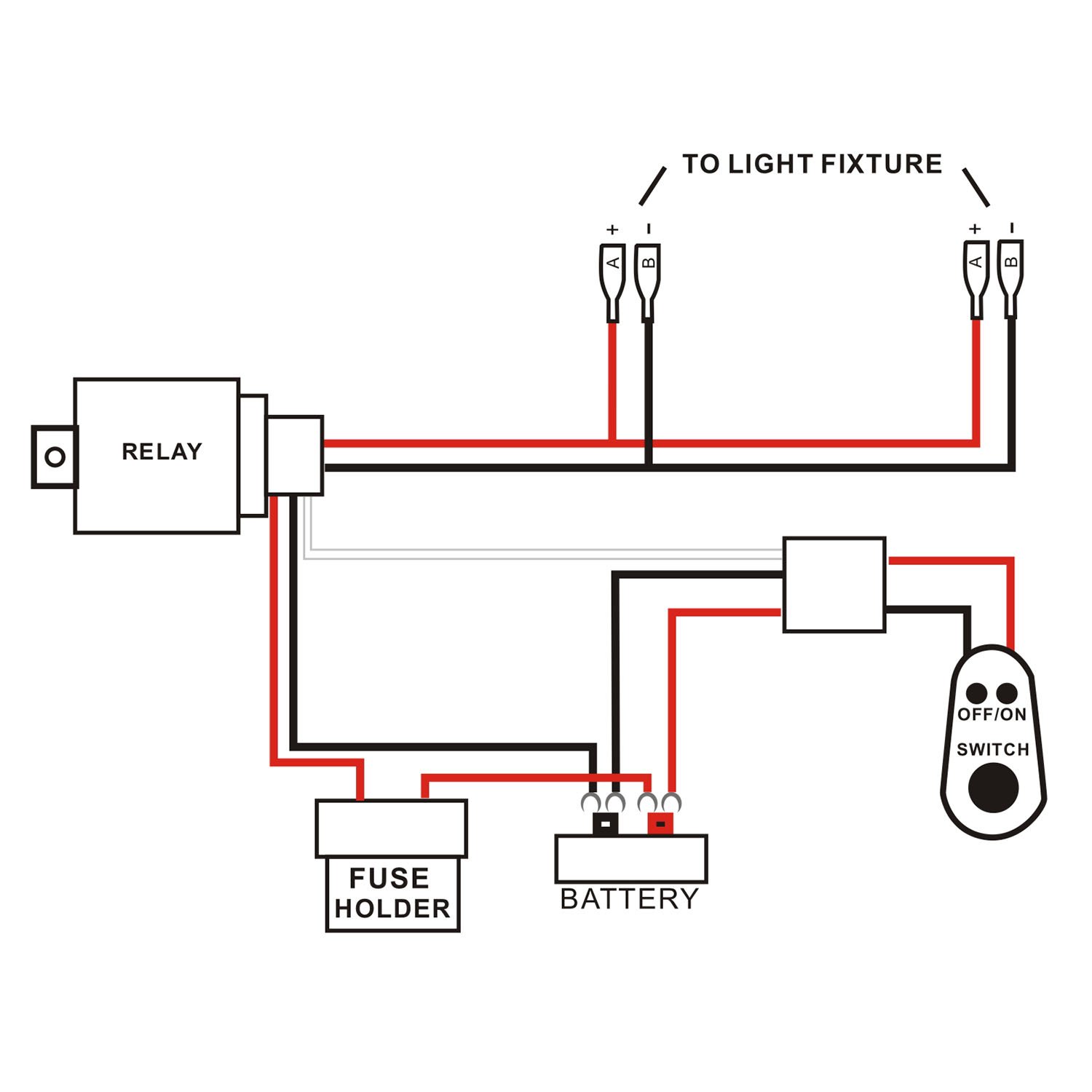
Amazon.com: Northpole Light LED Light Bar Wiring Harness with 2 ... Amazon.com: Northpole Light LED Light Bar Wiring Harness with 2 Leads, 12V 40A Relay Fuse ON OFF Switch for LED Off Road Lights Driving Fog Lights: ...
Amazon.com: Northpole Light LED Light Bar Wiring Harness with 2 ... Amazon.com: Northpole Light LED Light Bar Wiring Harness with 2 Leads, 12V 40A Relay Fuse ON OFF Switch for LED Off Road Lights Driving Fog Lights: ...
2003 Toyota Tundra Brake Wiring Diagram
Amazon.com: EPAuto LED Light Bar Wiring Harness Kit, 12V 40A Relay ... Amazon.com: EPAuto LED Light Bar Wiring Harness Kit, 12V 40A Relay/Fuse/ON-OFF Switch: Automotive
Amazon.com: EPAuto LED Light Bar Wiring Harness Kit, 12V 40A Relay ... Amazon.com: EPAuto LED Light Bar Wiring Harness Kit, 12V 40A Relay/Fuse/ON-OFF Switch: Automotive
2004 2007 Harley Davidson Wiring Schematics And Diagrams
Lighted Rocker Switch Wiring Diagram Toggle And - kuwaitigenius.me Driving Light Rocker Switch Red 20 Arb Carling Type Narva Of Lighted And Wiring Diagram
Lighted Rocker Switch Wiring Diagram Toggle And - kuwaitigenius.me Driving Light Rocker Switch Red 20 Arb Carling Type Narva Of Lighted And Wiring Diagram
Securely Verified