Mariner - NGK Outboard Motor Spark Plug Guide Model, Type, Capacity, Year, Cylinder ...
Mariner 60 Hp 3 Cyl Manual - View and Download Mariner 20 HP operation and maintenance manual online. 20 HP Outboard Motor pdf manual download. Also for: 25 hp, 20 hp.. Mercury Mariner Outboard Stator Assembly Stator Part number 5566A5 Trigger part number 70426A2 This sale is for one used Mercury Mariner outboard stator assembly.. REPAIR MANUAL SEARCH TERMS. how to tune mercury 50 outboard carburetors. idle adjustment carburetor johnson 1984. johnson 3.3 carburetor idle. johnson 50 hp outboard carburetor fuel leaks.DOWNLOAD a Mercury/Mariner outboard PDF repair manual straight to your computer in just seconds and fix your problems now!. Quicksilver 10' Switch Kit For sale is a new Trim Switch for Mercury Mariner outboards. Rocker style switch with 10 foot harness and bullet connectors.. Find the year your Mercury Mariner outboard motor was manufactured using our model & serial number look-up guide..
Lookup Mercury Marine 60 hp (3 cyl.) outboard motor parts by serial number range and buy discount parts from our large online inventory.. The service manual downloads for the above listed Yamaha, Mercury, MerCrusier Mariner, Suzuki & Johnson/Evenrude models describes the service procedures for. Lookup Mercury Marine 60 hp (3 cyl.) outboard motor parts by component and buy discount parts from our large online inventory..
If searched for the ebook Evinrude 90 hp v4 outboard manual in pdf form, in that case you come on to the loyal site. We furnish full variation of this ebook in txt, PDF, DjVu, ePub, doc forms..
1982 Dodge Rampage Wiring Diagram
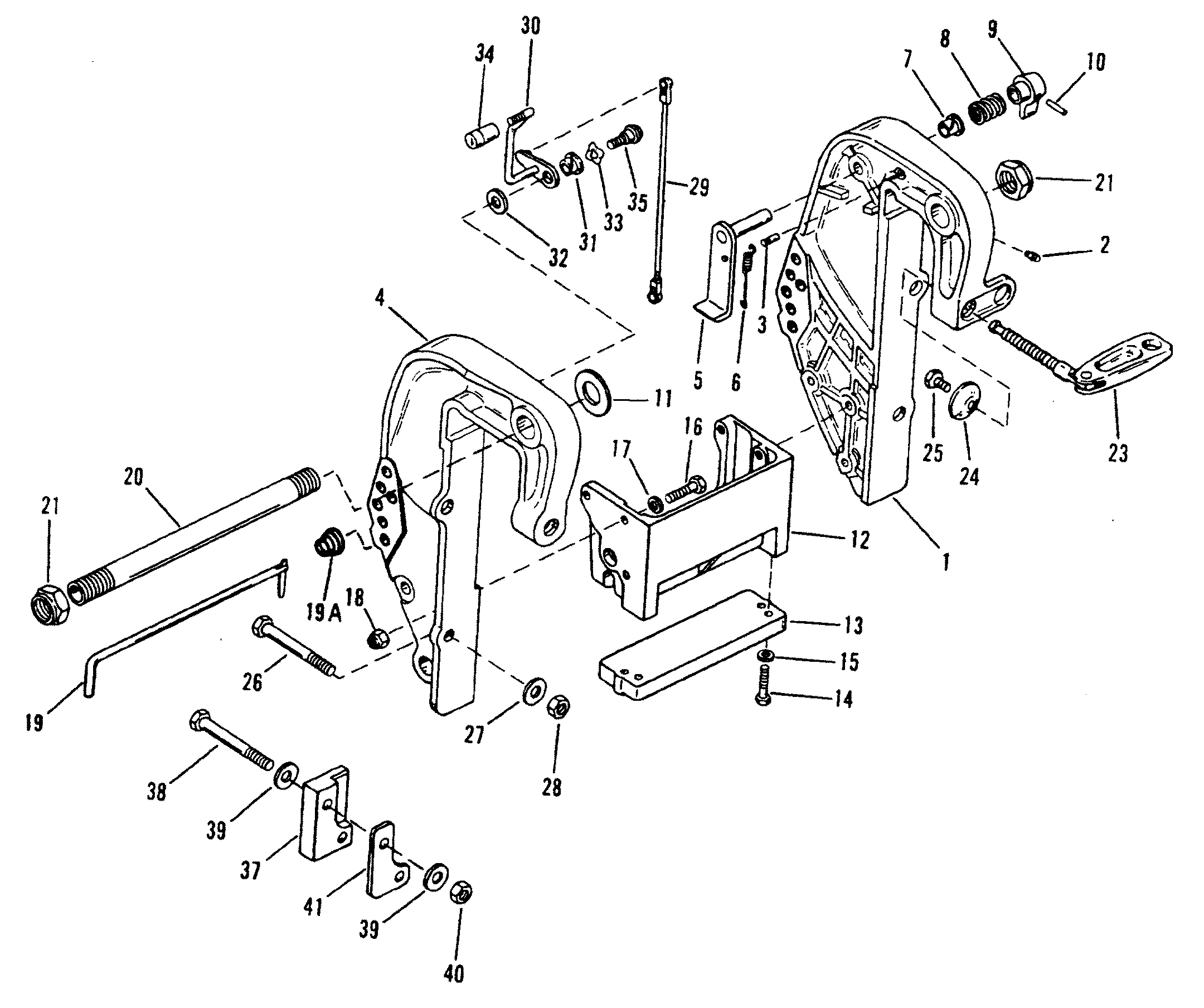
CLAMP BRACKET MANUAL S/N: 0D1812000 AND UP FOR MARINER / MERCURY 50 ... Zoom
CLAMP BRACKET MANUAL S/N: 0D1812000 AND UP FOR MARINER / MERCURY 50 ... Zoom
1981 Buick Regal Ecm Wiring Diagram Schematic
NIB Mercury 50-60 HP 3Cyl Gasket Kit Powerhead 27-69524A75 18-4352 ... Details about NIB Mercury 50-60 HP 3Cyl Gasket Kit Powerhead 27-69524A75 18-4352 39180
NIB Mercury 50-60 HP 3Cyl Gasket Kit Powerhead 27-69524A75 18-4352 ... Details about NIB Mercury 50-60 HP 3Cyl Gasket Kit Powerhead 27-69524A75 18-4352 39180
1982 Camaro Fuse Box Diagram
Yamaha 60 Hp Wiring Diagram | Wiring Diagram 2019 Yamaha 60 Hp Wiring Diagram
Yamaha 60 Hp Wiring Diagram | Wiring Diagram 2019 Yamaha 60 Hp Wiring Diagram
1980 Yamaha Xs850 Wiring Diagram
Mariner 60 HP (3 Cylinder) Manual Tilt Components Parts Engine section
Mariner 60 HP (3 Cylinder) Manual Tilt Components Parts Engine section
Securely Verified