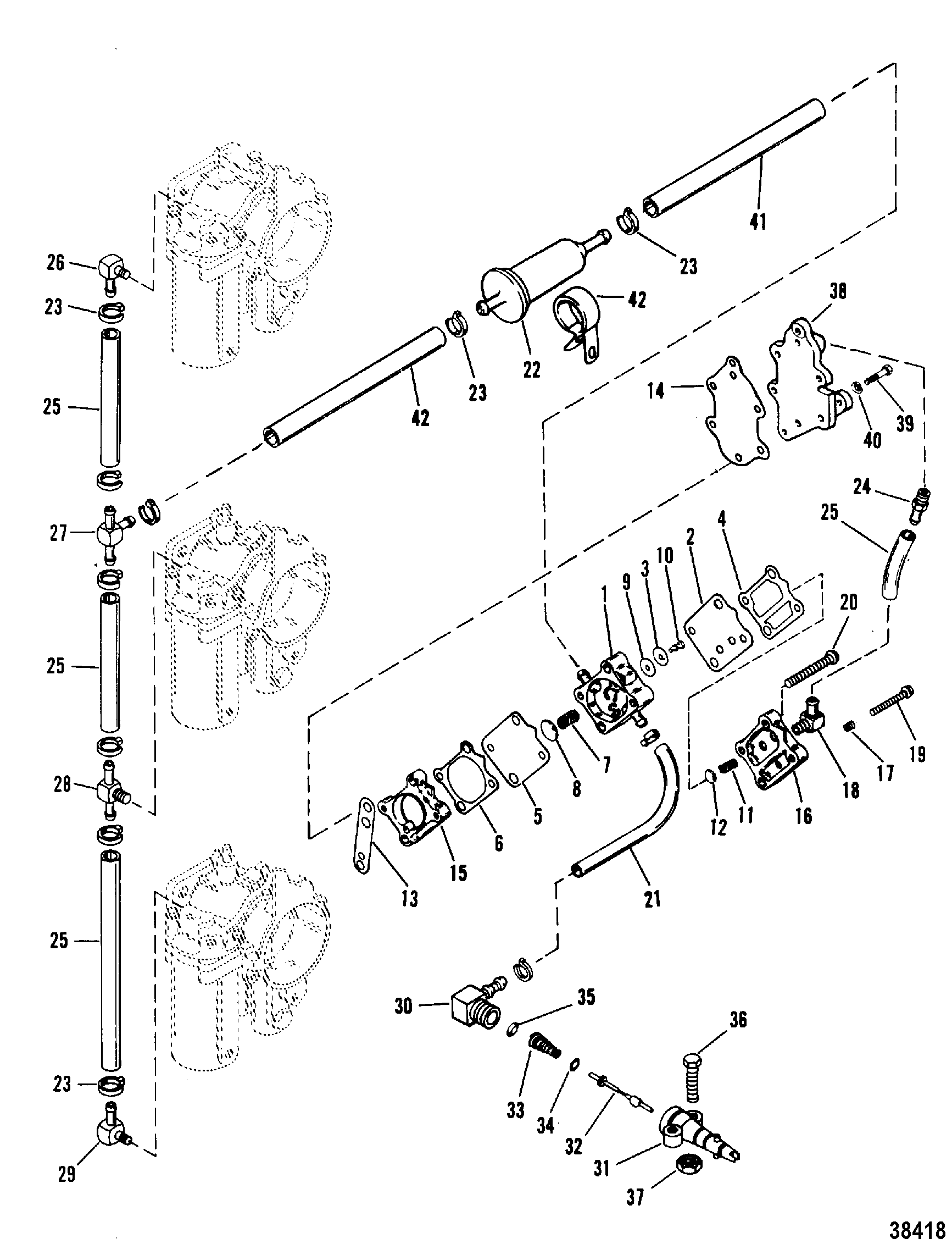
FUEL PUMP AND FUEL LINE FOR MERCURY 35 HP FUEL PUMP AND FUEL LINE FOR MERCURY 35 HP. Zoom
Mercury Fuel Pump User Manuals - Marine manuals and free pdf instructions. Find the marine product manual you need at ManualsOnline. Find the marine product manual you need at ManualsOnline. Free Mercury Marine Outboard Motor User Manuals | ManualsOnline.com. Mercury 4-Stroke Outboard Boat Motor service manuals are available for immediate download! This service is available for only $4.95 per download! If you have a dirty old paper copy of this manual or a PDF copy of this manual on your computer and it crashed we can help! Your Mercury 4-Stroke Outboard Boat Motor service manual will come to you in pdf format and is compressed for a. Fuel pumps on outboard motors work a little bit differently than they do on automobile engines. The outboard fuel pump has a sensitive diaphragm that receives a suction signal from a piston cylinder so the pump can deliver fuel..Original Mercury Service manual covers the following Mercury Force models: 4HP Manual part number: OB4126 Manual good through 5HP 1988 Model (except for fuel pump and Tiller Handle on 1988 "B" Models).. And therefore some of the items covered may not apply your, options before they generally available, remember to pass on the Owner's Guide when reselling vehicle, fuel pump. Mercury Mariner 150 175 200 EFI 1992-2000 Service Manual Download. Posted on June 6, 2014. GO TO DOWNLOAD ! This Mercury Mariner 150 175 200 EFI 1992-2000 Service Manual Download is a complete factory service and repair manual for your Mercury Mariner 150 175 200 EFI..
Download a 90HP Yamaha, Suzuki, Evinrude, Mariner, Johnson, Mercury outboard repair manual in seconds. An outboard marine engine repair manual is a book of instructions, or handbook, for learning how to maintain, service and overhaul the 90 HP outboard motor to factory specifications.. If an electric fuel pump is used, the fuel pressure must not exceed 4 psig at the engine. If If necessary, install a pressure regulator to regulate the pressure.. fuel supply module (fsm) troubleshooting the information in this document is confidential and protected by copyright and is the property of mercury marine..
"Outboard Motors" service and repair manuals. 85 HP Chrysler Outboard Motor; Outboard Motors Chrysler Chrysler - 100 115 And 140 HP Outboards OB 3439 Service Manual.
Cadilac 1990 Door Repair Manual
FUEL PUMP AND FUEL LINES NEW STYLE FUEL PUMP FOR MARINER / MERCURY ... Zoom
FUEL PUMP AND FUEL LINES NEW STYLE FUEL PUMP FOR MARINER / MERCURY ... Zoom
Buick Rendezvous Fuse Wiring Diagram
Fuel Pump Use With 90 Degree Check Valve Reference #16 FOR MARINER ... Zoom
Fuel Pump Use With 90 Degree Check Valve Reference #16 FOR MARINER ... Zoom
Cadillac Cts Coupe Wiring Diagram
Mariner 25 HP (2 Cylinder) (2-Stroke) (International) Fuel Pump Parts Engine section
Mariner 25 HP (2 Cylinder) (2-Stroke) (International) Fuel Pump Parts Engine section
Buick Skylark Fuse Box Diagram
1999 Mercury Cougar Fuel Pump Wiring Diagram 2001 Cougar Fuel - 7.13 ... where is the location of the fuel pump driver module rh 2carpros com
1999 Mercury Cougar Fuel Pump Wiring Diagram 2001 Cougar Fuel - 7.13 ... where is the location of the fuel pump driver module rh 2carpros com
Securely Verified