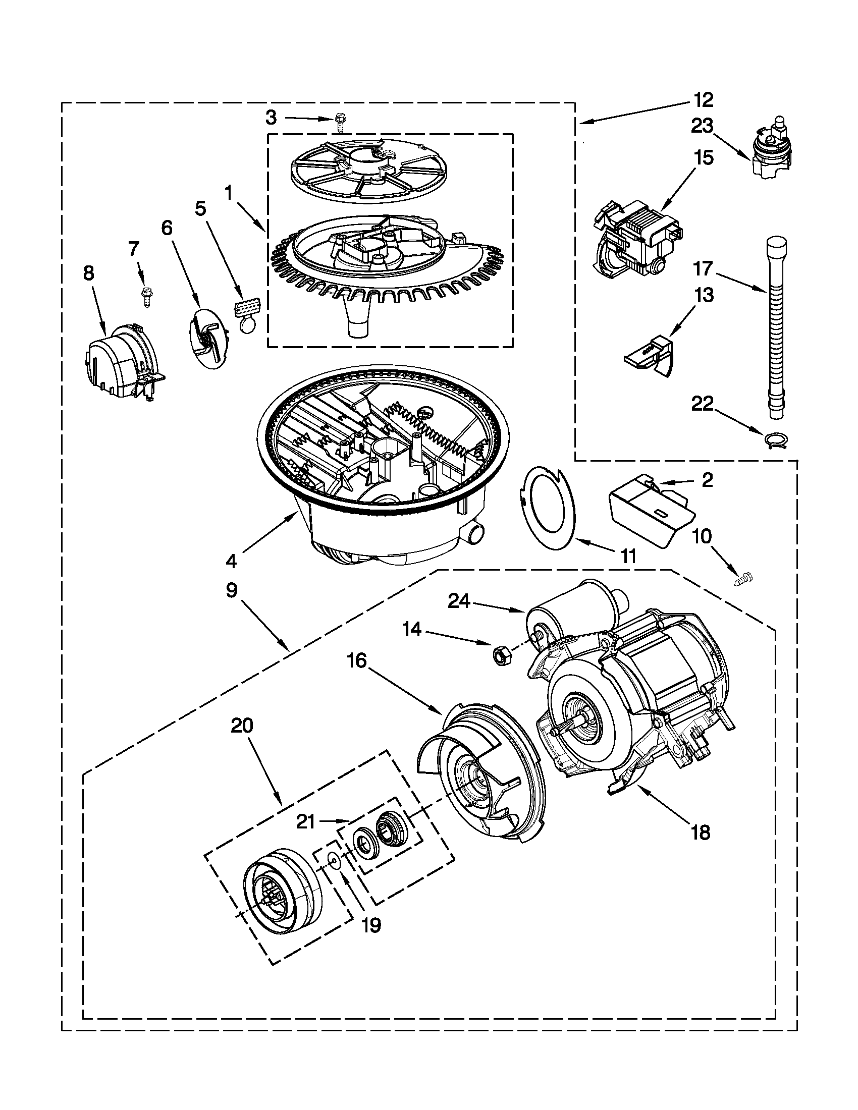
Kitchenaid model KUDC10FXSS5 dishwasher genuine parts
Owner Manual Kitchen Aid Dishwasher Kudc10fx Ss5 - Read and download KitchenAid Appliances KUDC10FXSS Owner's Manual | Page 10 online. Download free KitchenAid user manuals, owners manuals, instructions, warranties and. Free kitchen appliance user manuals, instructions, and product support information. Find owners guides and pdf support documentation for blenders, coffee makers, juicers and more. Free Dishwasher User Manuals | ManualsOnline.com. Manual KitchenAid KDFE104DWH. View the KitchenAid KDFE104DWH manual for free or ask your question to other KitchenAid KDFE104DWH owners. ManualSearcher. com. EN. KitchenAid my machine yet, am remodeling my kitchen, and need to know how far the kitchen island needs to be away from the dishwasher that will be cross from it. Kathy, 2017-01-14.2 IMPORTANT SAFETY INSTRUCTIONS WARNING: When using the dishwasher, follow basic precautions, including the following: SAVE THESE INSTRUCTIONS Read all instructions before using the dishwasher. Use the dishwasher only for its intended function. Use only detergents or rinse agents recommended for use in a dishwasher, and keep them out of the reach of children.. Power tool manuals and free pdf instructions. Find the user manual you need for your tools and more at ManualsOnline. Page 10 of Ingersoll-Rand Air Compressor SS5 User Guide | ManualsOnline.com. KitchenAid KDTE204EPA Kitchen Appliances Dishwasher download pdf instruction manual and user guide.
need owners manual for IngersollRand Garage Mate air need owners manual for IngersollRand Garage Mate air I have an air compressor RA3E30 about 25 years old which I have a Rand 4000 RA3E30 air compressor about 25 years Needed IngersollRand Air Compressor. Manuals and free owners instruction pdf guides. Find the user manual and the help you need for the products you own at ManualsOnline. Free Nakamichi User Manuals | ManualsOnline.com. Audio manuals and audio service pdf instructions. Find the user manual you need for your audio device and more at ManualsOnline. Free Nakamichi Speaker System User Manuals | ManualsOnline.com.
I had a couple of dishwasher in the past from different brand and did not last more than 5 years, the noise was terrible and my dishes didn’t came clean but since I purchase my Kitchen Aid. Locate your dishwasher's door switch. The control panel in the front of the unit may be easily removeable, allowing you access to the switch. In some cases, you will have to first remove the inner panel of the dishwasher door. This is usually accomplished with the removal of a few screws.. Jul 21, 2015 · Buy our favorite dishwasher: https://amzn.to/2WLQcMT Is your dishwasher stinky? Are you finding bits of food left on your dishes after a wash? Then maybe it's time you cleaned your dishwasher's.
Whirlpool WDF310PAA Product Dimensions . Download Product dimensions of KitchenAid Architect II C Series KUDC10IX Dishwasher, Undercounter for. Find KitchenAid Manuals, Care Guides & Literature Parts at RepairClinic.com. Repair your KitchenAid Manuals, Care Guides & Literature for less. Fast, same day shipping. 365 day right part guaranteed return policy..
2000 Chevy S10 Tail Light Wiring Diagram
Amazon.com: Whirlpool W10190415 Silverware Basket: Home Improvement
Amazon.com: Whirlpool W10190415 Silverware Basket: Home Improvement
2000 Clubcar 48 Volt Wiring Diagram
Kitchenaid model KUDC10FXSS5 dishwasher genuine parts
Kitchenaid model KUDC10FXSS5 dishwasher genuine parts
2000 Dodge Durango Turn Signal Wiring Diagram
Kitchenaid model KUDC10FXSS5 dishwasher genuine parts
Kitchenaid model KUDC10FXSS5 dishwasher genuine parts
2000 Club Car Ds Wiring Diagram
Amazon.com: Kitchenaid W10195416 Dishwasher Dishrack Wheel Genuine ... Amazon.com: Kitchenaid W10195416 Dishwasher Dishrack Wheel Genuine Original Equipment Manufacturer (OEM) Part for Kitchenaid, Kenmore, Whirlpool, Maytag, ...
Amazon.com: Kitchenaid W10195416 Dishwasher Dishrack Wheel Genuine ... Amazon.com: Kitchenaid W10195416 Dishwasher Dishrack Wheel Genuine Original Equipment Manufacturer (OEM) Part for Kitchenaid, Kenmore, Whirlpool, Maytag, ...
Securely Verified