WRG-7799] Polaris 500 Ho Wiring Diagram 1998 Polaris Sportsman 500 Wiring Diagram Simple Electrical Wiring 2005 Polaris Sportsman Wiring-Diagram 2006
Polaris 340 Transport 2008 Wiring Diagram - 2008 Polaris 600 IS Shift Snowmobile Service Manual; 2008 Polaris 340 Snowmobile Service Manual; 2008 Polaris 340 Transport Snowmobile Service Manual; 2008 Polaris Supersport Snowmobile Service Manual; 2008 Polaris 550 LX Snowmobile Service Manual; 2008 Polaris Trail Touring Deluxe Snowmobile Service Manual; 2008 Polaris Trail RMK Snowmobile. Instant Download: POLARIS 2008 Snowmobile Edge/Widetrak Repair Manual - service and repair. By Brand; By Keyword; All; Terms; Help; menu. 2008 340 2008 340 TRANSPORT Related: diagrams, exploded parts view, pictures, service information and troubleshooting for the section.. wiring diagram index name description page aa power distribution frc 3 ab power distribution frc 4 ac power supply, circuit protection 3/4 (ef 5 ad power supply, circuit protection 4/4 (ef 6 ae grounding 7 af starting and charging 8.Aug 15, 2011 · . 2005 Polaris Sportsman 700-800 EFI Service Manual. 309 Pages Contents Include – General Info Maintenance Engine Fuel Injection Body and Steering Clutching Final drive Transmission Brakes Electrical Wiring Diagrams Index. Oct 30, 2017 · 2008 POLARIS SUPERSPORT / 550 LX SNOWMOBILE Service Repair Manual 1. 2008 EDGE / WIDETRAK SNOWMOBILE SERVICE MANUAL FOREWORD This service manual is designed primarily for use by certified Polaris Master Service Dealer technicians in a properly equipped shop and should be kept available for reference.. Oct 12, 2012 · Could someone please help me get a complete wiring diagram for a 2010 Rzr 800. Search "" across the entire site Search "" in this forum Search "" in this discussion. Advanced Search Cancel Login / Join. What's New With the polaris manual had a nice schematic like the yamaha apex manual has but ill manage. Save Share. Reply. 1 - 5 of 5 Posts.
"Snowmobiles" service and repair manuals. 01 arctic cat snowmobile zl wireing pic; 2008 polaris fst wiring diagram; 2008 polaris iq cruiser fuel problems; 1978 444-lc bombardier wiring diagram; 1978 Polaris Apollo 340 online repair manual; 1978 Ski Doo 340 Pics;. 2005 Polaris Snowmobile 600 700 800 900 RMK / 600 800 Switchback Service Manual . Instant download of the factory repair manual for 2005 Polaris RMK and Polaris Switchback deep snow snowmobiles. See below for specific models covered. Covers complete tear down and rebuild, pictures and part diagrams, torque specs, maintenance, troubleshooting, etc.. Nov 05, 2014 · 1991 polaris 350 trail boss with no spark 2011 polaris trail boss wont go into 4x4 polaris trailboss fuel line diagram 1999 polaris trail boss 350 parts. 4x4 free printable 1989 polaris trail boss 350 2x4 parts 03 polaris 350 trail boss carburetor rebuild it 2012 polaris trailboss 350 wiring diagram how to change the transmission oil in a 01 polaris.
Jan 19, 2011 · This video is dedicated to CAM and CRK sensor testing and operational parameter, but from an electrical and wiring diagram interpretation point of. Jan 31, 2013 · Original Factory 2004 Polaris XC SP Edge And XC Edge Snowmobile Service Repair Manual is a Complete Informational Book. This Service Manual has easy-to-read text sections with top quality diagrams and instructions. Trust 2004 Polaris XC SP Edge And XC Edge Snowmobile Service Repair Manual will give you everything you need to do the job.. These service manuals, wiring diagrams and owner’s manuals describes the operation and repair of the Renault Master cars, manufactured from 1998 to 2017. The manuals describes the repair of cars with diesel engines of 1.9D / 2.2D / 2.5D / 3.0D l. and with a power of 82/90/99/114/136 hp. See also: Renault cars workshop manuals Renault Master Workshop manuals.
wiring diagram for 2003 polaris xcsp edge 600; wiring diagram for 2008 polaris 700 dragon; wiring diagram for 2011 polaris turbo IQ; wiring diagram for a 95 Indy 500; wiring diagram in service manual for 2009 polaris dragon 600; wiring diagram on 86 triple 600 polaris snowmobill; wiring diagram rxl polaris 1992; wiring diagram switchback 2012. Aug 27, 2019 · There is a process you must follow if you plan to fine-tune the caterpillar tracks in the rear of your snowmobile just as there is if you need to alter the track to place it in a straight line.
Traeger Smokers Parts Wiring Diagram
Polaris SPRINGTORS .405SQ 77 BLK RH 7041941-067 New OEM | eBay 2001 800 XC SP
Polaris SPRINGTORS .405SQ 77 BLK RH 7041941-067 New OEM | eBay 2001 800 XC SP
Toyota Tundra Trailer Light Wiring Diagram
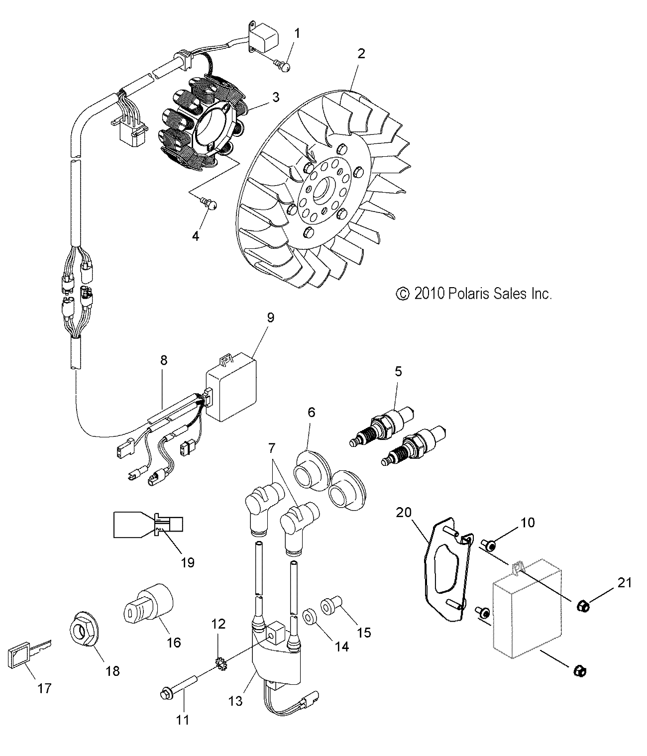
Polaris ASM. IGNITION COIL 3089478 New OEM | eBay Details about Polaris ASM. IGNITION COIL 3089478 New OEM
Polaris ASM. IGNITION COIL 3089478 New OEM | eBay Details about Polaris ASM. IGNITION COIL 3089478 New OEM
Toyota Tundra 2014 Wiring Diagram
SPI-SPORT PART Tie Rod Male 3/8”-24 Right Thread for Snowmobile ... SPI-SPORT PART Tie Rod Male 3/8”-24 Right Thread for Snowmobile POLARIS TRANSPORT 340 2008 - Walmart.com
SPI-SPORT PART Tie Rod Male 3/8”-24 Right Thread for Snowmobile ... SPI-SPORT PART Tie Rod Male 3/8”-24 Right Thread for Snowmobile POLARIS TRANSPORT 340 2008 - Walmart.com
Tractor Trailer Wiring Diagram For
2002 Polaris 600 Classic Wiring Diagram | Wiring Schematic Diagram ... 2002 polaris 600 classic wiring diagram wiring schematic diagram Polaris Classic 550 Wiring 2002 polaris classic
2002 Polaris 600 Classic Wiring Diagram | Wiring Schematic Diagram ... 2002 polaris 600 classic wiring diagram wiring schematic diagram Polaris Classic 550 Wiring 2002 polaris classic
Securely Verified