Polaris KIT SWITCH STOPLIGHT 2203182 New OEM | eBay 2007 DRAGON RMK INTL
Polaris Pro Ride Rush Rmk Snowmobile Workshop Service Manual - Friday, March 13, 2015 DynoTech: Axys 800HO troubleshooting. Homing in on a few issues--primarily lack of HP on some engines. My cousin-in-law Bill Rogers had that first 85 mph Axys that his excellent dealer traded even-up for their 100+ mph demo sled.. 国. 民の祝日 少数民族間の和平をめざす日に 2月6日、ミャンマー情報省は、2月12日の第72回ユニオンデーを前に、ユニオンデーの目的を発表した。.
User Manuals Panasonic Smart Tv
Polaris ASM. HEADLIGHT 2411017 New OEM | eBay 2010 600 PRO-RIDE RUSH
Polaris ASM. HEADLIGHT 2411017 New OEM | eBay 2010 600 PRO-RIDE RUSH
Vauxhall Zafira Fuse Box 2011
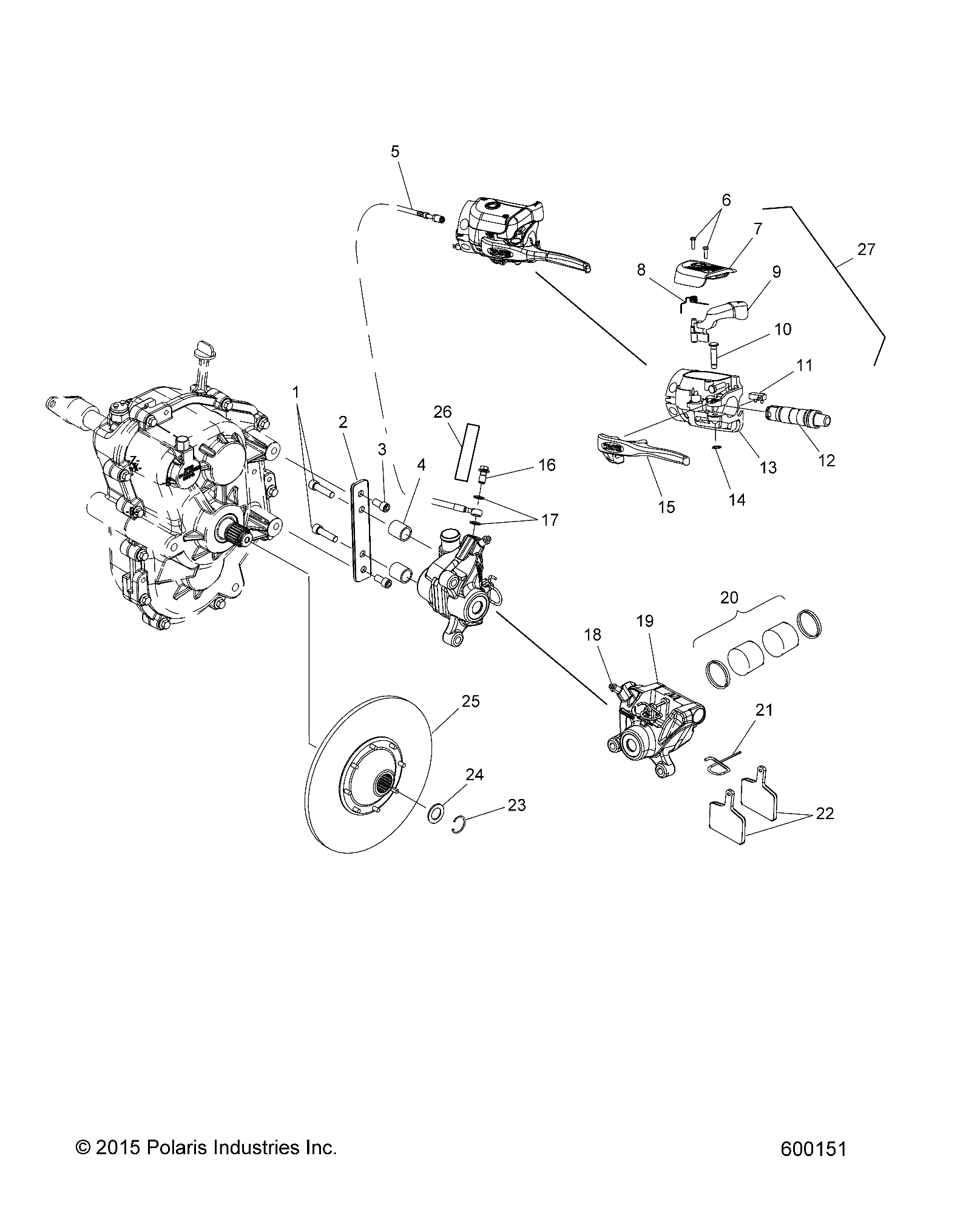
Polaris 600 Rush Wiring Diagram | Wiring Diagram Polaris 600 Rush Wiring Diagram
Polaris 600 Rush Wiring Diagram | Wiring Diagram Polaris 600 Rush Wiring Diagram
Vauxhall Corsa Fuse Box Radio
2013 600 Polaris Rmk Wiring Diagram | Wiring Diagram 2013 600 Polaris Rmk Wiring Diagram
2013 600 Polaris Rmk Wiring Diagram | Wiring Diagram 2013 600 Polaris Rmk Wiring Diagram
Variable Sd Control Wiring Diagram
Question:
Question:
Securely Verified