1982 Suzuki SP 250 - Vintage Dirt Bikes - ThumperTalk
Suzuki Sp 250 Wiring Diagram - May 15, 2010 · WIRING DIAGRAM thread for all sorts of bikes: Bike Chat Forums Index-> The Workshop: Goto page Previous 1, 2, 3, Do you happen to have a suzuki SP250 wiring diagram? Thanks! nah i don't, i have a sp400 diagram, a gn250 and a dr250 diagrams Suzuki GT 250 Wiring Diagram( Remanufactured) Other Motorcycle Parts.. Wiring Diagram Wire Routing Cable Routing Special Tools Tightening Torque Service Data. 1982 SP250Z Supplement View Of Suzuki Sp250z Vin And Serial Number Locations Fuel And Oil Recommendations Breaking-in Procedure Specifications Service Data Periodic Maintenance Schedule Maintenance Procedures Carburetor Emission Control And Regulations. Suzuki gn 250 1982 1983 Service manual: 26.43 MB 31407 Suzuki gn 250 Maintenance manual: 1.39 MB 22486 Suzuki gn 250 Service manual: 18.49 MB 44059 Suzuki gn 400 parts list: 407.34 Kb 12569 Suzuki gn 400 Wiring diagram: 130.09 Kb 13531 Suzuki GS 1000 80 Service Manual.2009 Suzuki RMZ250 wiring diagram wiring diagram @ - Suzuki 2009 RMZ250 question. Search Fixya Oct 01, 2010 | Suzuki RM-Z 250 Motorcycles. 1 Answer Location of oil drain plugs on a suzuki rmz250 2009. one bolt, look underneath the engine, could be in the middle or off to the side a bit. I have a '90 HD sportster XLH 883/1200 4 sp right. Factory service manuals – Up to 60% Off Ford, GM, Chrysler, Dodge, Toyota, Honda, Nissan automobiles. Original shop auto repair books car and truck.. suzuki wagon r wiring diagram.pdf elektrická schémata Repair manuals 28.3 MB: Hungarian 141 2007 xl 7 2007 us.pdf XL-7 2007 US. Data sheets and catalogues 21.3 MB: English 13 2006 xl 7 2006 us.pdf XL-7 2006 US. Data sheets and catalogues 726 KB.
Suzuki . We offer replacement Suzuki CDI Units (Igniters), TCI's, ECU's and FI systems for most motorcycle and ATVs. If you do not see what the ignition module for your ATV, motorcycle, sled, or PWC, let us know and it is possible a custom ingition module can be made for your application.. Free Suzuki Motorcycle Service Manuals for download. Lots of people charge for motorcycle service and workshop manuals online which is a bit cheeky I reckon as they are freely available all over the internet. £5 each online or download your Suzuki manual here for free!!. View and Download Suzuki DR 125 service manual online. DR 125 Motorcycle pdf manual download. Also for: Dr-z125, Dr-z125l, Dr-z125k6, Dr-z125k7, Dr-z125k8, Dr-z125k4, Dr-z125k5..
Jul 01, 2017 · Suzuki SP200 Restoration. By boonbear, September 29, 2011 in Vintage Dirt Bikes. but I think I can get the point across still. If anyone knows a good place to get a look at a wiring diagram, that would be awesome. I've already looked at the OEM parts list, and it really doesn't help much. Any advice about working on the front shocks would. Jul 30, 2013 · I have a 94 160cc Quadrunner. Old, but has been working great. Suddenly one day when I tried to restart it all I hear is a loud and rapid clicking from the solenoid up by the battery. I bought a new solenoid online but that doesnt fix it. I took. Jan 17, 2011 · Learn to navigate this system's wiring circuitry and diagram using current flow analysis, relay and module operation and neutral-switch actuation, such as.
1977-1978 Suzuki GS400 GS 400 B C Stator $119.99 1977-1980 Suzuki GS550 GS 550 Stator $119.99 1977-1981 Suzuki GS400 GS 400 Stator Coil $39.99 1978-1979 Suzuki GS1000 GS 1000 Stator $114.99 1978-1979 Suzuki GS1000 Stator $114.99 1978-1980 RM400 Suzuki RM400 Stator $159.99 1978-1980 Suzuki GS1000 GS 1000 CDI Flywheel Coil $499.99. Free Motorcycle Manuals for download . Lots of people charge for motorcycle service and workshop manuals online which is a bit cheeky I reckon as they are freely available all over the internet. £5 each online or download them in PDF format for free here!!.
Kohler Wiring Diagram 12 Wire
1982 Suzuki SP 250 - Vintage Dirt Bikes - ThumperTalk
1982 Suzuki SP 250 - Vintage Dirt Bikes - ThumperTalk
Komatsu 155 4 Diesel Engine Service Repair Manuals Download
1982 Suzuki SP 250 - Vintage Dirt Bikes - ThumperTalk
1982 Suzuki SP 250 - Vintage Dirt Bikes - ThumperTalk
Kodak Easy Share C813 Manuals
B5A80 Suzuki Quadrunner 250 Wiring Diagram | Digital Resources
B5A80 Suzuki Quadrunner 250 Wiring Diagram | Digital Resources
Komatsu Pc30mrx 1 Shop Manuals
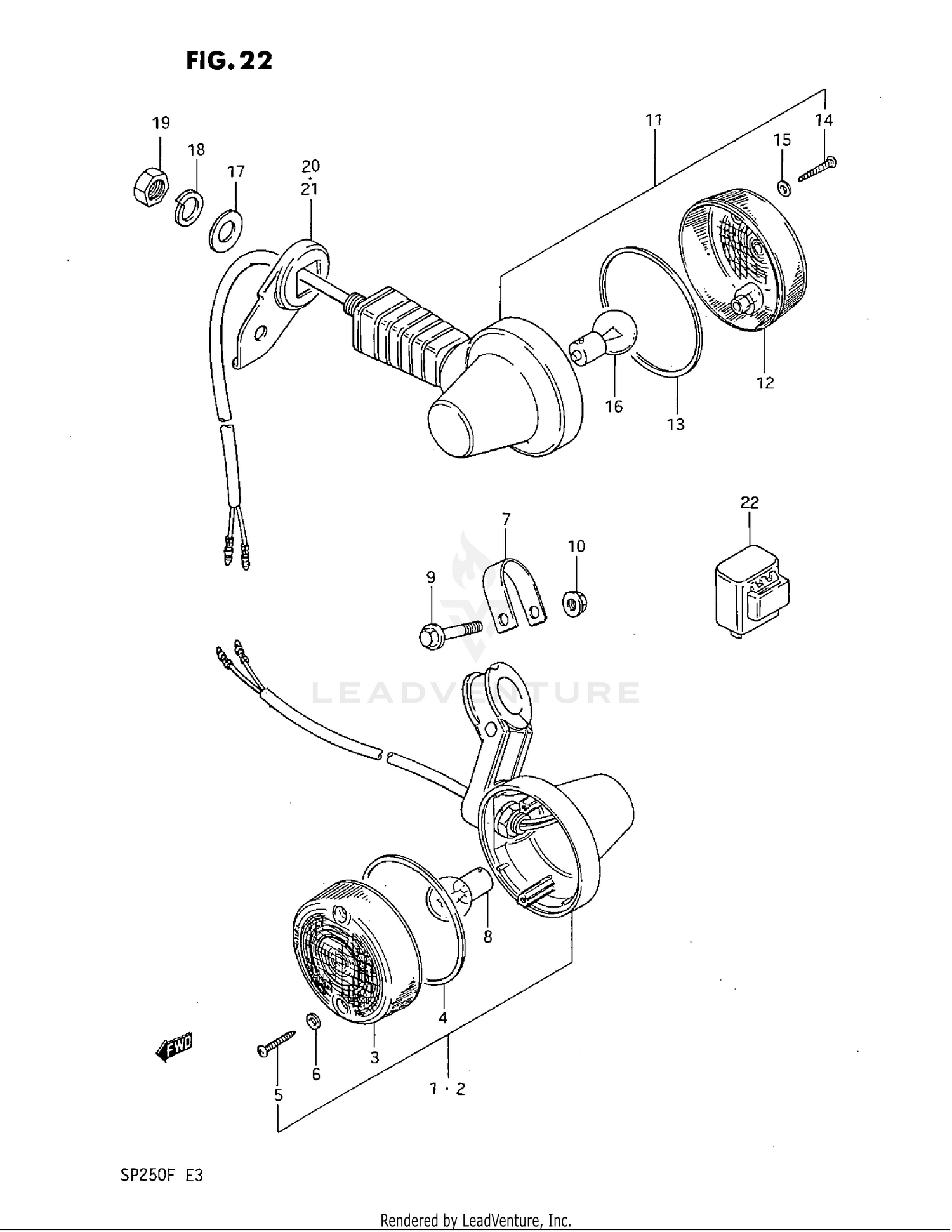
1985 Suzuki SP250 TURN SIGNAL LAMP Parts - Best OEM TURN ...
1985 Suzuki SP250 TURN SIGNAL LAMP Parts - Best OEM TURN ...
Securely Verified